Products DetailOKガードウォールの特徴
- 前面が垂直なので丁張りをしやすく施工も簡単です。
- 標準製品での平面線形対応は、最小半径R=20m程度まで可能です。
- 衝突荷重に対する擁壁の強度の安全性を確認するため、実物構造実験を行いました。
- 『道路土工 擁壁工指針』及び『防護柵設置基準・同解説』に準拠しています。
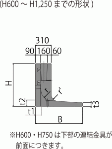
規格・寸法
( )内は粘性土用の規格・寸法
| 寸法(mm) | | | | | | | | 地盤反力度(kN/m2) | | |
|---|
| 名称 | H | B | t1 | t2 | t3 | r | r’ | h | 常時 | 衝突時 | 参考重量(kg) |
|---|
| OWG-60 | 600 | 1,100(1,200) | 150 | 150 | 90 | 250 | 150 | 450 | 22(21) | 45(39) | 977(1,019) |
|---|
| OWG-75 | 750 | 1,100(1,200) | 150 | 150 | 90 | 250 | 150 | 450 | 23(23) | 66(55) | 1,095(1,137) |
|---|
| OWG-100 | 1,000 | 1,100(1,200) | 150 | 150 | 90 | 250 | 150 | 450 | 34(33) | 80(68) | 1,291(1,333) |
|---|
| OWG-125 | 1,250 | 1,200(1,200) | 150 | 150 | 90 | 250 | 150 | 450 | 45(47) | 81(86) | 1,530(1,530) |
|---|
| OWG-150 | 1,500 | 1,300(1,400) | 150 | 150 | 90 | 250 | – | 650 | 55(55) | 109(98) | 1,694(1,737) |
|---|
| OWG-175 | 1,750 | 1,400(1,550) | 150 | 150 | 90 | 250 | – | 650 | 67(65) | 112(97) | 1,887(1,951) |
|---|
| OWG-200 | 2,000 | 1,550(1,700) | 150 | 150 | 90 | 250 | – | 650 | 77(75) | 111(100) | 2,101(2,165) |
|---|
| OWG-225 | 2,250 | 1,650(1,850) | 220 | 220 | 100 | 400 | – | 750 | 90(87) | 158(132) | 3,002(3,097) |
|---|
| OWG-250 | 2,500 | 1,800(2,050) | 220 | 220 | 100 | 400 | – | 750 | 100(95) | 153(128) | 3,223(3,342) |
|---|
| OWG-275 | 2,750 | 1,950(2,200) | 220 | 220 | 100 | 400 | – | 850 | 110(104) | 153(132) | 3,444(3,563) |
|---|
| OWG-300 | 3,000 | 2,100(2,350) | 220 | 220 | 100 | 400 | – | 850 | 119(114) | 155(138) | 3,665(3,784) |
|---|
設計条件
土質・地盤条件
| 土質 | 砂質土 | 粘性土 |
|---|
| 土の単位体積重量γs | 19kN/m2 | 18kN/m2 |
| せん断抵抗角φ | 30° | 25° |
| 擁壁底版と支持地盤との間の摩擦係数 | μ=0.6 | μ=0.6 |
荷重条件
1.常時
2.衝突荷重作用時
標準施工図
施工断面図
支柱基礎部詳細図
数量表(10mあたり)
| H(mm) | B(mm) | 基礎コンクリート(m3) | 基礎型枠(m2) | 基礎砕石(m2) | 敷モルタル(m3) |
|---|
| 600 | 1,100(1,200) | 1.30(1.40) | 2.00 | 13.00(14.00) | 0.33(0.36) |
| 750 | 1,100(1,200) | 1.30(1.40) | 2.00 | 13.00(14.00) | 0.33(0.36) |
| 1,000 | 1,100(1,200) | 1.30(1.40) | 2.00 | 13.00(14.00) | 0.33(0.36) |
| 1,250 | 1,200(1,200) | 1.40(1.40) | 2.00 | 14.00(14.00) | 0.36(0.36) |
| 1,500 | 1,300(1,400) | 1.50(1.60) | 2.00 | 15.00(16.00) | 0.39(0.42) |
| 1,750 | 1,400(1,550) | 1.60(1.75) | 2.00 | 16.00(17.50) | 0.42(0.465) |
| 2,000 | 1,550(1,700) | 1.75(1.90) | 2.00 | 17.50(19.00) | 0.465(0.51) |
| 2,250 | 1,650(1,850) | 1.85(2.05) | 2.00 | 18.50(20.50) | 0.495(0.555) |
| 2,500 | 1,800(2,050) | 2.00(2.25) | 2.00 | 20.00(22.50) | 0.54(0.615) |
| 2,750 | 1,950(2,200) | 2.15(2.40) | 2.00 | 21.50(24.00) | 0.585(0.66) |
| 3,000 | 2,100(2,350) | 2.30(2.55) | 2.00 | 23.00(25.50) | 0.63(0.705) |
※( )内は粘性土用
支柱設置穴充填材数量
| アスファルト又はモルタル(m3) | 砂(m3) |
|---|
| 0.002 | 0.004 |
端部処理・最低連結本数
| 名称 | 最低連結延長 |
|---|
| OWG-60 | 10m |
|---|
| OWG-75 | 8m |
|---|
| OWG-100 | 8m |
|---|
| OWG-125 | 8m |
|---|
| OWG-150 | 6m |
|---|
| OWG-175 | 6m |
|---|
| OWG-200 | 6m |
|---|
| OWG-225 | 4m |
|---|
| OWG-250 | 4m |
|---|
| OWG-275 | 4m |
|---|
| OWG-300 | 4m |
|---|
※端部用製品(L=1.5m)使用箇所も連結延長に含みます。
詳細図
載荷試験の状況はこちら
端部処理・最低連結本数
Products DetailOKガードベースの特徴
- 内カーブ半径8mから対応可能です。
- 道路縦断勾配は9%まで可能です。
- B・C種に対応しています。
- 『道路土工 擁壁工指針』及び『防護柵設置基準・同解説』に準拠しています。
規格・寸法
| 製品種別 | B | 参考重量 |
|---|
| OKGB-80 (16) | 800 | 682kg |
|---|
| OKGB-90 (12) | 900 | 720kg |
|---|
| OKGB-100 (10) | 1000 | 757kg |
|---|
| OKGB-110 (8) | 1100 | 794kg |
|---|
| OKGB-120 (8) | 1200 | 831kg |
|---|
設計条件
【防護柵の設置基準・同解説】【道路土工-擁壁工指針】に準拠した設計を行っています。
道路の区分
| 道路の区分 | 設計速度 | 一般区間 | 重大な被害が発生する恐れがある区間 |
|---|
| その他の道路 | 60km/h以上 | B種用 | A種用(当社製品不可) |
|---|
| 50km/h以下 | C種用 | B種用(40km/h以下の場合はC種) |
|---|
衝突荷重
| 種別 | 衝突荷重 | 衝突高 |
|---|
| B・C種 | P=30kN | Hp=0.600m |
|---|
設置歩掛
| 名称 | 規格 | 数量 | 単位 |
|---|
| 世話役 | – | 0.22 | 人 |
|---|
| ブロック工 | – | 0.22 | 人 |
|---|
| 普通作業員 | – | 0.67 | 人 |
|---|
| ガードベース | 2m | 5.00 | 個 |
|---|
| バックホウ賃料 | 4.9吊 | 0.22 | 日 |
|---|
| 諸経費 | 16% | 1.00 | 式 |
|---|
※10m当り
端部処理・最低連結本数
基礎工詳細
通常基礎工
側面図
平面図
数量表(通常基礎)
| | | 基礎工数量(延長10m当り) | | | | 間詰部数量(延長10m当り) | | | 侵食数量(延長10m当り) | | |
|---|
| 製品種別 | B(mm) | 製品重量(kg) | 敷モルタル(m3) | コンクリート(m3) | 均し型枠(m2) | 基礎材(m2) | 間詰コンクリート(m3) | 止め型枠(m2) | 使用本数(本) | コンクリート(m3) | 型枠(m2) | 摘要 |
|---|
| OKGB-80(16) | 800 | 682 | 0.201 | 1.005 | 2.00 | 10.05 | 0.108 | 0.52 | 8 | 0.018 | 0.13 | – |
|---|
| OKGB-90(12) | 900 | 720 | 0.221 | 1.105 | 2.00 | 11.05 | 0.116 | 0.52 | 6 | 0.018 | 0.13 | – |
|---|
| OKGB-100(10) | 1000 | 757 | 0.241 | 1.205 | 2.00 | 12.05 | 0.124 | 0.52 | 5 | 0.018 | 0.13 | – |
|---|
| OKGB-110(8) | 1100 | 794 | 0.261 | 1.305 | 2.00 | 13.05 | 0.132 | 0.52 | 4 | 0.018 | 0.13 | – |
|---|
| OKGB-120(8) | 1200 | 831 | 0.281 | 1.405 | 2.00 | 14.05 | 0.140 | 0.52 | 4 | 0.018 | 0.13 | – |
|---|
注)基礎工の寸法及び数量は、いずれも参考値です。
注)連結ボルト使用数量:2セット/箇所
L型擁壁設置部
数量表(L型擁壁設置部)
| | | 基礎工数量(延長10m当り) | | | | 間詰部数量(延長10m当り) | | | 侵食数量(延長10m当り) | | |
|---|
| 製品種別 | B(mm) | 製品重量(kg) | 敷モルタル(m3) | コンクリート(m3) | 均し型枠(m2) | 基礎材(m2) | 間詰コンクリート(m3) | 止め型枠(m2) | 使用本数(本) | コンクリート(m3) | 型枠(m2) | 摘要 |
|---|
| OKGB-80(16) | 800 | 682 | 0.181 | 0.905 | 1.00 | 9.05 | 0.108 | 0.52 | 8 | 0.23 | 0.69 | – |
|---|
| OKGB-90(12) | 900 | 720 | 0.201 | 1.005 | 1.00 | 10.05 | 0.116 | 0.52 | 6 | 0.23 | 0.69 | – |
|---|
| OKGB-100(10) | 1000 | 757 | 0.221 | 1.105 | 1.00 | 11.05 | 0.124 | 0.52 | 5 | 0.23 | 0.69 | – |
|---|
| OKGB-110(8) | 1100 | 794 | 0.241 | 1.205 | 1.00 | 12.05 | 0.132 | 0.52 | 4 | 0.23 | 0.69 | – |
|---|
| OKGB-120(8) | 1200 | 831 | 0.261 | 1.305 | 1.00 | 13.05 | 0.140 | 0.52 | 4 | 0.23 | 0.69 | – |
|---|
注)基礎工の寸法及び数量は、いずれも参考値です。
注)連結ボルト使用数量:2セット/箇所
注)上記数量は、被覆コンクリート厚:10cmの場合。